Panier 0
Il n'y a plus d'articles dans votre panier
0 articles 0,00 €
Total TTC 0,00 €
Taxes incluses : 0,00 €
- JARDINAGE
- AERATEURS ET SCARIFICATEURS
- AIGUISEURS DE CHAINES
- BALAYEUSES / RAMASSEUSES DE FEUILLES ET DE GAZON
- BINEUSES
- BROUETTES A MOTEUR / DUMPER
- BROYEURS DE VEGETAUX
- COUPE BORDURES / DEBROUSSAILLEUSES
- GRIZZLY TOOLS
- HANSEATIC
- HYUNDAI
- FLORABEST
- FRT 430
- FRT 430/10
- FRT 450
- FRT 450 A1
- FRT 450 B2
- FRT 500
- FRT 500/8
- FAT 18 B2
- FRT 18 A1
- FRT 18 A
- FGS 12/6
- FGS 12/7
- FGS 12/8
- FGS 10/9
- FGS 10/10
- FGS 10 A1
- FGS 72 A1
- FAT 18 B3 - IAN 273039
- FGS 3.6 A1
- FRTA 20 A1 - IAN 282232
- FRTA 20 A1 - IAN 282271
- FGS 3.6 B2 - IAN 289290
- FGS 3.6 B2 - IAN 295807
- FBS 25 A1
- BL FBS 25 A1 - IAN 280454
- PARKSIDE
- PAGS 20 Li A1 - IAN 419726
- PBK 4 B3 - 420339
- PBS 2 A1 - IAN 309505
- PBS 2 B2 - IAN 330265
- PBS 2 C3 - IAN 351633
- PBS 2 D4 - IAN 384563
- PGSA 12 A1 - IAN 329643
- PGSA 4 A1 - 311192
- PGSA 4 A2 - IAN 331860 - 384536 - 408538
- PRT 300 A1 - IAN 360066
- PRT 300 B2 - IAN 384571
- PRT 550/3
- PRT 550 A1 - IAN 311404
- PRT 550 A3 - IAN 330241
- PRT 550 A5 - IAN 384565 - 351652
- PRT 550 B6 - IAN 420333
- PRTA 20-Li A1 - IAN 311046
- PRTA 20-Li B2 - IAN 330831
- PRTA 20-Li C3 - IAN 365589
- PRTA 20 Li C3 - IAN 385583 - 403219 - 419713
- PAMT 20 Li A1 - IAN 439318
- PART 20 Li A1 - IAN 446399
- PARKSIDE PERFORMANCE
- MR GARDENER
- MAX BAHR
- COUPES-BRANCHES
- COUPES-BRANCHES SANS FIL
- DESHERBEUR
- FENDEUSE DE BUCHES
- MOTOBINEUSES
- MULTIFONCTIONS
- PERCHES ELAGUEUSES / EBRANCHEURS
- POMPES
- GRIZZLY TOOLS
- FLORABEST
- FHA 1100
- FHA 1100 A1
- FHA 1100 B2
- FGP 1100 A1
- FGPS 1100 A1
- FGPS 1100 B2
- FGPS 1100 C3
- FRP 350/10
- FRP 350 B1
- FRP 350 B2
- FRP 350 C2
- FTS 1100 A1
- FTS 1100 B2
- FTS 1100 C3
- FTS 1100 D4 - 291597
- FTP 400K-A1
- FTP 400K
- FTP 400 A1
- FTP 400 B2
- FTP 400 C2
- FTP 400 D3 - 109771
- FTP 400 D3 - 285189
- FTP 400 D3 - 275663
- FTP 400 E4 - 298703
- PARKSIDE
- PGPS 1100 A1 - IAN 311554_1904 / 346462 / 373459
- PGPS 1100 B1 - IAN 497237
- PTPK 400 A1 - IAN 315128
- PTPK 400 A1 - IAN 340488
- PTPK 400 B1 - IAN 378352 - 422661
- PTK 610/5 DE
- PTPS 1100 A1 - IAN 307392 / 316236 / 344876 / 373831
- PHWW 1000 A1 - IAN 363750 / 383473
- PHWW 1200 A1 - IAN 304645 / 346404
- PHGA 1000 A1 - IAN 499359
- PHGA 1300 A1 - IAN 420312
- PHGA 1300 A1 - IAN 393888
- PBKP 8000 A1 - IAN 440149
- SILVERCREST
- PULVERISATEUR
- ROBOTS DE TONTE
- SOUFFLEURS / ASPIRATEURS DE FEUILLES
- GRIZZLY TOOLS
- FLORABEST
- PARKSIDE
- PLB 3000/5
- PLBA 20 Li A1 - IAN 366999
- PLKSB 1800 A1 - 336273
- PLS 2600 A1 - IAN 360440
- PLS 2600 B2 - IAN 378138
- PLS 3000 A1 - 315118 - 354723 - 378341
- PLSA 40 Li A1 - IAN 317702 / IAN 315641
- PLSA 40-Li C2 - IAN 354652
- PLSA 40 Li C2 - IAN 380756
- PPTLBA 40 Li A1 - IAN 404419
- PLSBA 40 Li A1 - IAN 423084
- PBLS 26 A1 - IAN 420123
- TAILLE-HAIES
- GRIZZLY TOOLS
- FLORABEST
- FAH 18 A
- FAH 18 A1
- FAH 18 B2
- FHL 700 A1
- FHL 900 A1
- FHL 900 B2
- FHL 900 B3
- FHL 900 C4
- FHT 600 F3 - 300231
- FHL 900 F5 - IAN 298481
- AHS 1852 Lion
- FGS 12/6
- FGS 12/7
- FGS 12/8
- FGS 10/9
- FGS 10/10
- FGS 10 A1
- FGS 72 A1
- FAH 18 C3
- FHT 600 A1
- FHT 600 B2
- FHT 600 C3
- FAH 18 C4
- FHT 600/7
- FHS 600/7
- FHL 900 D4
- FHT 600 D3
- FHL 900 E5 - IAN 285176
- FHT 600 E3
- FHSA 20 B1 - IAN 296305
- PARKSIDE
- PHS 450 A1 - IAN 355054
- PHS 600 A1 - IAN 315124
- PHS 600 C3 - IAN 354710 -373224 -378354
- PHS 650 A1 - 436115
- PHSA 12 A1 - 312200
- PHSA 12 B1 - 331427_1907 ET 385639
- PGKGA 40 LI A1 - IAN 313870
- PHSA 20-Li A1- 311706
- PHSA 20-Li A1 - 331370
- PHSA 20 Li A1 - 351757_2007
- PPHSA 40-Li A1 - IAN 376271
- PHSHE 900 A1 - IAN 304288
- PHSL 900 A1 - IAN 315259
- PHSL 900 A3 - 340608 et 354721
- PTHSA 20-Li A1 - 306215
- PTHSA 20 LI C4 - IAN: 416549
- PTHSA 20-Li A2 - IAN 346155
- PBHS 700 A1 - IAN 436150
- PBHS 650 A1 - IAN 422496
- PHS 9500 A1 - IAN 315808
- PARKSIDE PERFORMANCE
- TONDEUSES
- BUDGET
- CLEVA
- DELTAFOX
- FLORABEST
- GRIZZLY TOOLS
- HYUNDAI
- PARKSIDE
- PBM 125 A1 - IAN: 324460
- PBM 132 A1 - IAN 360067
- PBM 132 B1 - IAN 384572
- PRM 1200 A1 - IAN 311034
- PRM 1200 B2 - IAN 330835_1907
- PRM 1300 A1 - IAN 352227_2007
- PRM 1300 C3 - IAN 454393
- PRM 1500 A1 - IAN 420302
- PRM 1800 A1 - IAN 297201
- PRM 1800 A2 - IAN 324359
- PRM 1800 A2 - IAN 373339
- PRMA 20 Li A1 - IAN: 327524 / 373425
- PRMHA 20 Li A1 - IAN 376665
- PRMHA 20 Li B2 - IAN 434679 / 497664
- PRMA 40 LI A1 - IAN: 311518
- PRMA 40-Li A2 - IAN 330877_1907
- PRMA 40 Li B3 - IAN 385574
- PRMA 40 Li C1 - IAN 420347
- PPRMA 40 LI A1 - IAN 419625 - 434687
- PRMA 20-Li B2 - IAN 434653
- PBAM 224 A1 - IAN 381143
- PBRM 39 C2 - IAN 454396
- PBRM 39 E4 - IAN 508992
- PBRM 41 B2 - IAN 373784
- PBRM 43 A1 - IAN 466530
- PARKSIDE PERFORMANCE
- TRONCONNEUSES
- GRIZZLY TOOLS
- FLORABEST
- PARKSIDE
- PGHSA 12 A1 - IAN 361629_2007
- PGHSA 20 Li A1 - 419727
- PGHSA 12 B2 - IAN 385638 - 408296
- PGHSA 12 C3 - IAN 445942
- PKS 40/3
- PKS 40/5
- PKS 2000/4
- PKS 2200 A1 - IAN 315253
- PKS 2200 A1 - IAN: 340600_1910 ET 374134
- PKS 1600 A1 - IAN 360351
- PKS 1600 B2 - IAN 378141
- PKSA 20-Li B2 - IAN: 346174_2004
- PKSA 20-Li B2 - IAN 373438
- PKSA 40 Li A1 - 333650
- PBKS 53 B3 - IAN 373764 / 415941 / 436503
- PAGHS 20-Li A1 - IAN 449950
- PKSA 20-Li D4 - IAN 449942
- PGHSA 20-Li B1 - IAN 434668
- PBKS 53 A1 - IAN 335372
- PEKS 1600 C3 - IAN 459177
- PBBPS 700 A1 - IAN 403506
- PBBPS 700 A2 - IAN 466546
- PBKS 53 A2 - IAN 378343
- PBKS 46 A1 - IAN 458204
- PBKS 53 C3 - IAN 482142
- PARKSIDE PERFORMANCE
- AERATEURS ET SCARIFICATEURS
- BRICOLAGE
- AFFUTEURS
- AGRAFEUSES CLOUEUSES
- ASPIRATEURS
- PARKSIDE
- PNTS 30/4
- PNTS 35/5
- PNTS 30/6S
- PNTS 30/7E
- PNTS 30/8E
- PNTS 30/9
- PNTS 1250
- PNTS 1250/9
- PNTS 1300
- PNTS 1300 A1
- PNTS 1300 B2
- PNTS 1300 C3
- PNTS 1300 D3 - IAN 290887
- PNTS 1300 E4 - IAN 296615
- PNTS 1400 A1 - IAN 53353
- PNTS 1400 B1
- PNTS 1400 C1
- PNTS 1400 D1
- PNTS 1400 E2
- PNTS 1400 H4 - IAN 322475
- PNTS 1500 A1
- PNTS 1500 B2
- PNTS 1500 B3 - IAN 104474
- PNTS 1500 C4 - IAN 284950
- PNTS 1500 D5 - IAN 304887
- PNTSA 20 Li A1 - IAN 310656
- PWD 12 A1 - IAN 332961- 353257- 385114
- PWD 20 A1 - IAN 346106 - 373293
- PWD 25 A1 - IAN 328642_2001
- PWD 25 A2 - IAN 367468
- PWD 30 A1 - IAN 340059_1910
- PWD 30 B1 - IAN 380530
- PWDA 20-Li A1 - IAN 346160
- PWDA 20 Li A2 - IAN 373423
- PWS 20 A1 - IAN 314192
- PWS 20 B2 - IAN 354337
- PWS 20 C2 - IAN 377366
- PWD 20 B2 - IAN 497446
- PWD 25 C4 - IAN 426460
- PWD 25 B3 - IAN 392692
- PWD 30 C1 - IAN 419173
- PASA 550 A1 - IAN 438522
- PARKSIDE PERFORMANCE
- GRIZZLY TOOLS
- SILVERCREST
- PARKSIDE
- ASPIRATEURS A MAIN
- ASPIRATEURS DE CENDRES
- BALAYEUSES
- BETONNIERES
- BROSSES UNIVERSELLES A JOINT
- CAROTTEUSES
- CLE DYNAMOMETRIQUE
- COMPACTEUR A PLAQUE VIBRANTE
- COUPE CARREAUX ELECTRIQUE
- COMPRESSEURS / POMPES A AIR
- DECAPEURS THERMIQUE
- DECOLLEUSES A PAPIER PEINT
- DEFONCEUSES
- GRAVEURS
- GRIGNOTEUSES
- FERS A SOUDER
- FRAISEUSES A LAMELLES
- GROUPES ELECTROGENES
- MACHINE A CAFE
- MARTEAU PERFORATEUR
- MEULEUSES
- PARKSIDE
- PWS 115 A1 - IAN 360223_2007
- PWS 115 B2 - IAN 409154
- PWS 125 B2
- PWS 125 C3
- PWS 125 D3 - IAN 280250
- PWS 125 E4 - IAN 304008
- PWSA 18 A1
- PWSA 12 LI A1 - 297696
- PWSA 12 B1 - IAN 312027 ET 385625
- PWSAM 20 Li A1 - IAN 439335
- PWSAP 20 Li E5 - IAN 433534
- PWSAP 20 Li E6 - IAN: 426004
- PPWSFA 20 Li A1 - IAN 411802
- HYUNDAI
- PARKSIDE
- MEULEUSES - PERCEUSES FINES SANS FIL
- MULTIFONCTIONS
- NETTOYEURS HAUTE PRESSION
- GRIZZLY TOOLS
- FLORABEST
- PARKSIDE
- PHD 100
- PHD 100 A1
- PHD 100 B2
- PHD 100 C2
- PHD 100 D2
- PHD 100 E2
- PHD 110 A1 - IAN 285109
- PHD 110 B1 - IAN 300221
- PHD 110 C1 - IAN 315077
- PHD 110 D1 - IAN 340474 et 360333
- PHD 110 E1 - IAN 378243
- PHDS 110 A1 SILENT - IAN 440097
- PHDM 110 A1 - IAN 448025
- PHD 135 A1 - IAN 297587
- PHD 135 B1 - IAN 311145
- PHD 135 C2 - IAN 331952
- PHD 135 D3 - IAN 351661
- PHD 135 D5 - 384553
- PHD 135 E5 / F5 - IAN 408561 / 446658
- PHD 150
- PHD 150 A1
- PHD 150 B2
- PHD 150 C2
- PHD 150 D3
- PHD 150 E4 - IAN 280206
- PHD 150 F4 - IAN 291639
- PHD 150 G4 - IAN 305729
- PHD 170 A1 - IAN 327191_1904
- PHD 170 B2 - IAN 346400 - 373932
- PHD 170 C2 - IAN 373767
- PHD 170 D2 - IAN 436819
- PHDP 180 B2 - IAN 373334
- PHDP 180 C2 - IAN 498560 / 436138
- PTL 4 A1 - 297585
- PTL 4 B2 - 311147 / 330361 / 331966
- PTL 4 B3 - IAN 346403_2004 - 373934
- PTL 4 B4 - IAN 373760
- PDRA 20 Li A1 - IAN 360201
- PDRA 20 Li A1 - IAN 332673
- PHS 29 A1 - IAN 297588 - 311124
- PRRS 15 A3 - IAN 373762
- PFR 28 A1 - IAN 270385
- PFR 28 A1 - IAN 291644
- PFR 28 A2 - IAN 327190
- PFR 28 A3 - IAN 356310
- PFR 28 A3 - IAN 373933
- PFR 28 B2 - IAN 297588
- PFR 28 B2 - IAN 311124
- PFR 28 B3 - IAN 373765
- PFR 28 B3 - IAN 436820
- PFR 30 A1 - IAN 78965
- PPC 30 A1- IAN 68585
- PDB 15 A1 - IAN 271210
- PARRW 20 Li A1 - IAN 438485
- PHD 110 F2 - IAN 453174
- PHDB 4 C3 - IAN 327193
- PHD 110 G2 - IAN 480230
- PHD 135 G6 - IAN 471853
- NIVEAUX LASER
- OUTILS MULTIFONCTIONS
- PERCEUSES / VISSEUSES
- GRIZZLY TOOLS
- PARKSIDE
- PABS 10.8 C2 - 102653 - K
- PABS 14.4 A1 - 102649 - K
- PABS 16 A1-1 - 270701 - K
- PABS 18-Li B4 - 100086 - K
- PABS 20 LI B2 - 274864 - K
- PABS 20 Li E6 - 360200
- PABS 20 Li G8 - IAN 499639
- PABSW 10.8 B2
- PASSK 20 Li B2 - IAN 383682
- PAWS 3.6 A1
- PAWS 3.6 B2
- PSBM 500 B3
- PABSW 10.8 B3
- PDSSA 18 A1
- PSSA 3.6 C3
- PSSA 3.6 C4
- PSSA 3.6 D4
- PSSA 4 B2 - IAN 331133 - 385160
- PSBSA 18-Li A1 - 102868 - K
- PSBSA 20-Li C3 - IAN 356349
- PBSA 12 B1 - 282444 et 290315
- PBSA 12 C2 - 312140
- PBSA 12 D2 - 309546_1904
- PBSA 12 D4 - IAN 341742-338167-359707
- PBSA 12 E4 - 385624
- PBSPA 12 C3 - IAN 373095 - 499908
- PPBSA 20 Li A1 - IAN 411076
- PSBM 750 A1 - 284796
- PTBM 400 A1 - IAN 373868
- PTBM 500 A1 - 102855
- PTBM 500 B2 - 270414
- PTBM 500 C3 - 276419
- PTBM 500 D4 - 290757
- PTBM 500 E5 - 304520
- PTBMOD 710 C3 - IAN 417394
- RAPIDFIRE 2.0 - 283030
- RAPIDFIRE 2.0 - 304782
- RAPIDFIRE 2.1 - 321218
- RAPIDFIRE 2.2 - IAN 366518 ET 390412
- PTBSA 20 Li A1 - IAN 439334
- PTBMOD 710 A1 - IAN 317142
- PTBMOD 710 B2 - IAN 361816
- PTBMOD 710 D1 - IAN 477764
- PARKSIDE PERFORMANCE
- HYUNDAI
- PISTOLET A AIR CHAUD NUMERIQUE
- PISTOLETS A COLLE
- POMPES A HUILE
- PONCEUSES / TOURETS A MEULER
- GRIZZLY TOOLS
- PARKSIDE
- PAEXS 20 Li B2 - IAN 385566
- PDS 290 B2 - 273101 - K
- PDOS 200 B2
- PDOS 200 C2 - IAN 306879 / 374065
- PDOS 200 C2 - IAN 316694
- PEXS 270 B2 - IAN 282491
- PEXS 270 C3 - IAN 317724 / 360552
- PHS 160 C4 - IAN 113379
- PHS 160 D4
- PHS 160 E5 - IAN 291795
- PMS 160 A1 - IAN 317125_1904
- PMS 160 C2 - IAN 497530
- PMFS 200 B2 - IAN 287977 / 304370
- PNTS 250 A1 - IAN 284802
- PNTS 250 C2 - IAN 321438 / 336935 / 364877
- PSBS 240 B2 - IAN 283029
- PSBS 240 B2
- PSBS 240 C2 - IAN 303736 / 365093_2101
- PSBS 240 C2 - IAN 427578
- PSS 250 B2 - IAN 282491
- PSS 250 C3 - IAN 317724
- PTSG 140 B2 - IAN 290842 / 304699
- PTSG 140 C2 - IAN 327279
- PSSO 500 A1 - IAN 401432
- PBSM 1300 A1 - IAN 444085
- PWDS 920 B2 - IAN 380856
- PBTS 370 A1 - IAN 339368
- PBTS 370 B2 - IAN 391504
- PBTS 370 B3 - IAN 458725
- PWDS 920 A1 - IAN 339651
- PARKSIDE PERFORMANCE
- HYUNDAI
- CARREFOUR
- POLISSEUSES
- PROJECTEUR / LAMPE TORCHE LED SANS FIL
- RABOTS
- RADIOS DE CHANTIER
- RAINUREUSES
- SET DE MODELISME SANS FIL
- SET DE NETTOYAGE POUR HABITACLE DE VOITURE
- SCIES
- TOUR A BOIS
- TOURNEVIS ELECTRIQUE
- VISSEUSE A PERCUSSION
- SUPPORT UNIVERSEL DE MACHINE
- CUISINE
- BIEN ÊTRE
- POUR LA MAISON
- DESTOCKAGE
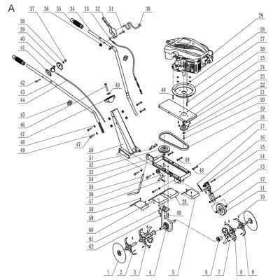
PLATINE SUPPORT DE GUIDON POUR MOTOBINEUSE PARKSIDE PBGK 1400 C3 - REF: 5912306023
Pièce d'origine constructeur (n°A49 sur la vue éclatée).
Appareils compatibles:
- PBGK 1400 C3 - IAN 415639
5912306023
Pièce d'origine constructeur (n°A49 sur la vue éclatée).






